Νέα προϊόντα
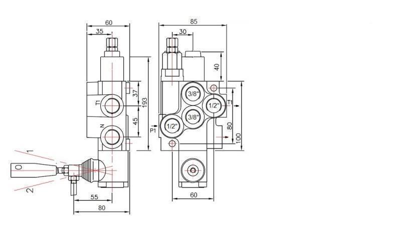
ΥΔΡΑΥΛΙΚΗ ΒΑΛΒΙΔΑ 1XP40
Κωδικός προϊόντος:
10101
OEM:
9990000000388
Συντελεστής φόρου
22 %
Τιμή χωρίς ΦΠΑ:
43,44 EUR
Τιμή με ΦΠΑ:
53,00 EUR
Ref:
116
A1
Προμηθευτής:
Βουλγαρία
μέγιστη πίεση σύνδεσης "T":
50 bar
Επιστροφή ή ανταλλαγή:
14 ημέρες
βάρος προϊόντος:
2.40 κιλά
ονομαστική ροή:
40 λίτρα/λεπτό
Εγγύηση:
6 μήνες
θερμοκρασία λειτουργίας:
-40 έως +60°C
μέγιστη πίεση σύνδεσης "P":
250 bar
λειτουργική θερμοκρασία λαδιού:
-15 έως +80°C
εργοστασιακά ρυθμισμένη βαλβίδα ασφαλείας:
180 bar
εύρος ρύθμισης ασφαλιστικής βαλβίδας:
50-230 bar
μέγιστη πίεση σύνδεσης "A" και "B":
300 bar








